Skip to content
HOME
ACCESSORIES
CONTACT US
HOME
ACCESSORIES
CONTACT US
Search
login
0
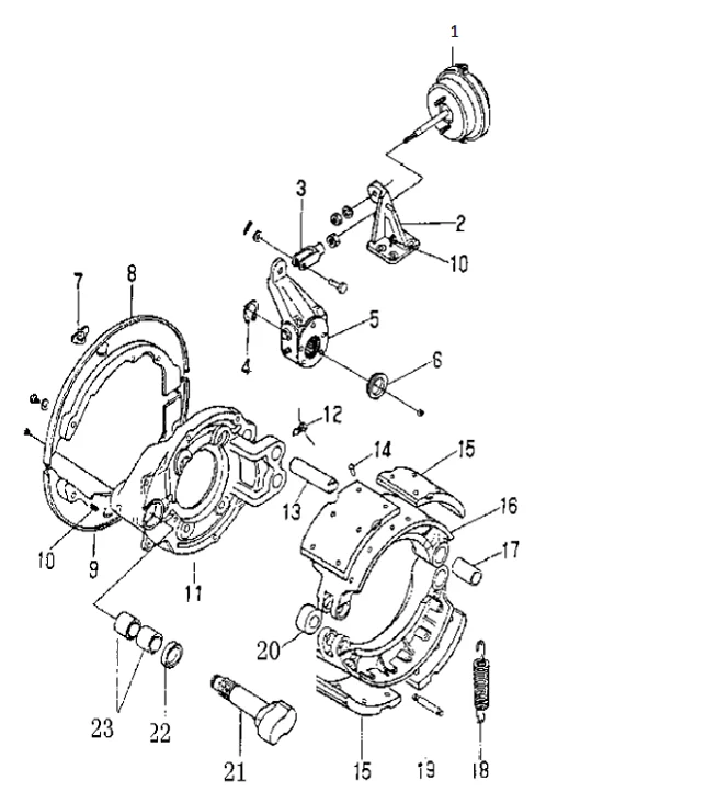
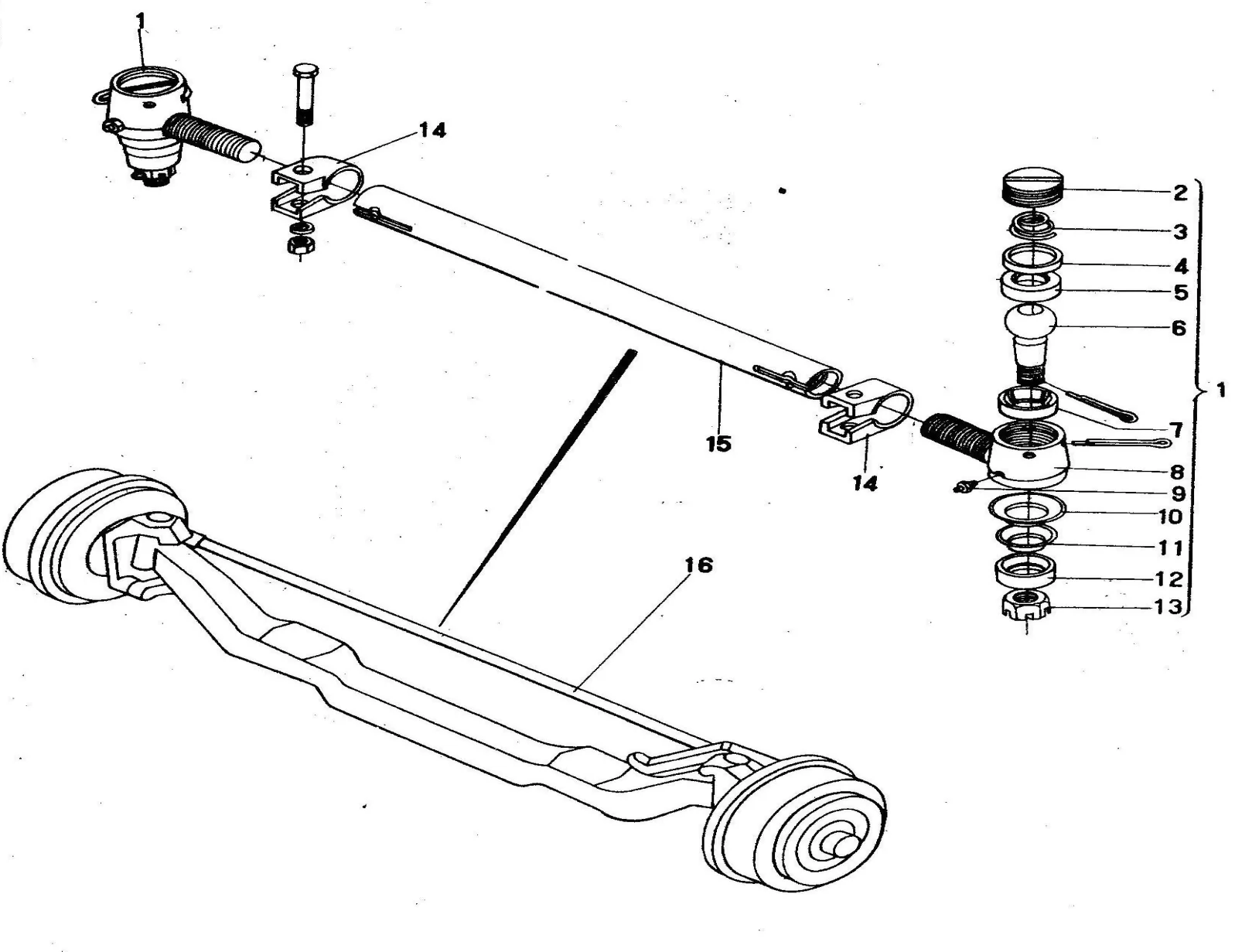
Front Axle Assembly
Model : CNJ 20T 2021 2024 DIESEL
Brake assembly
(41)
Front Axle Assembly
(56)
Tie rod assembly
(5)
Front Axle Assembly